Högprecisionsformsprutningsmaskin
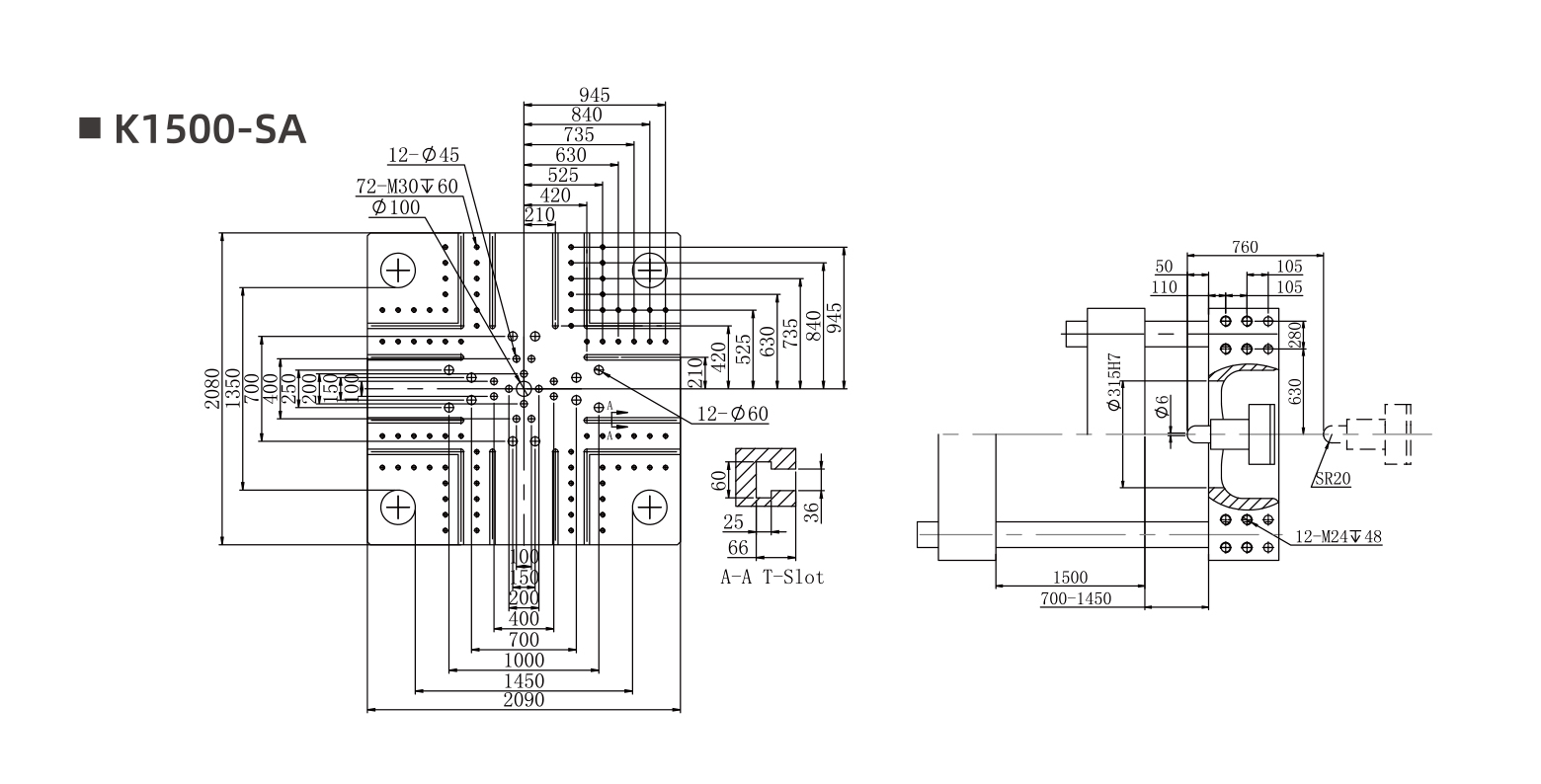
K1500-SA
PREV PRODUCT:K1850-SA
NEXT PRODUCT:K1300-SA
| BESKRIVNING | ENHET | K1500-SA | ||||
| INTERNATIONELL STORLEKNING | 18200 | |||||
| A | B | C | D | |||
| INJEKTIONSENHET | Skruvdiameter | mm | 130 | 140 | 150 | 160 |
| Skruv L:D-förhållande | 23.7 | 22 | 20.5 | 19.3 | ||
| Skottvolym | cm3 | 9291 | 10776 | 12370 | 14074 | |
| Skottvikt (PS) | g | 8455 | 9806 | 11257 | 12807 | |
| uns | 298.2 | 345.9 | 397.1 | 451.7 | ||
| Insprutningstryck | Bar | 1959 | 1689 | 1471 | 1293 | |
| Injektionshastighet | cm3/s | 1341 | 1555 | 1785 | 2031 | |
| Mjukgörande kapacitet | g/s | 156 | 195 | 229 | 246 | |
| Max.skruvhastighet | r/min | 113 | ||||
| KLÄMNINGSENHET | Klämkraft | kN | 15000 | |||
| Mellanrum mellan dragstänger | mm | 1450x1350 | ||||
| Plattstorlek | mm | 2090x2080 | ||||
| Öppningsslag | mm | 1500 | ||||
| Min.mdd höjd | mm | 700 | ||||
| Max.formhöjd | mm | 1450 | ||||
| Avstånd mellan plattor (dagsljus) | mm | 2950 | ||||
| Ejektorslag | mm | 350 | ||||
| Ejektorkraft | kN | 320 | ||||
| Antal ejektorer | 25 | |||||
| KRAFTENHET | Systemtryck | Bar | 175 | |||
| Pumpmotor | kW | 42 54 54 | ||||
| Värmekapacitet | kW | 91 | ||||
| ALLMÄN | Oljetankens kapacitet | L | 1300 | |||
| Maskindimension (LxBxH) | m*m*m | 13,8x3,1x4,5 | ||||
| Maskinens vikt | t | 87 | ||||
| Behållarens kapacitet | kg | 400 | ||||
| Nej | Komponentkonfiguration | varumärke | Härstamning | Konfigurationsomfång |
| 1 | kontroller | Taiwan Techmation(AK628)8-tums aluminiumfräsning | Taiwan | K110-230 |
| 2 | kontroller | Taiwan Techmation(TECH1)8-tums aluminiumfräsning | Taiwan | K270-460 |
| 3 | kontroller | Taiwan Techmation(TECH2)12 tums aluminiumfräsning | Taiwan | K530-800 |
| 4 | Servo oljepump | USA HIGH-TECH | U.S.A | Komplett utbud |
| 5 | servomotor | FAS | Italien | Komplett utbud |
| 6 | servodrivning | FAS | Italien | Komplett utbud |
| 7 | Servo kit | Tyskland Rexroth | Tyskland | Frivillig |
| 8 | Växlingsventil | Japan YUKEN | Taiwan | Komplett utbud |
| 9 | Växlingsventil | USA VICKERS | U.S.A | Frivillig |
| 10 | Förplastmotor | DANDUN | Kina | Komplett utbud |
| 11 | Formjusteringsmotor | DANDUN | Kina | Komplett utbud |
| 12 | Tätningselement | U.KHALLITE | Storbritannien | Komplett utbud |
| 13 | smörjsystem | HERG | Kina | Komplett utbud |
| 14 | Strömbrytare | SCHNEIDER ELECTRIC | Frankrike | Komplett utbud |
| 15 | luftströmbrytare | SCHNEIDER ELECTRIC | Frankrike | Komplett utbud |
| 16 | Elektronisk linjal | Bonny | U.S.A | Komplett utbud |
| 17 | Elektronisk linjal | NOVOtek | Tyskland | Frivillig |
| 18 | Solid state relä | FOTEK | Taiwan | Komplett utbud |
| 19 | Körbrytare | SCHNEIDER ELECTRIC | Frankrike | Komplett utbud |
| 20 | Gränslägesbrytare | FOTEK | Taiwan | Komplett utbud |
| 21 | Skruva fat | TONGDA | Kina | Helt sortiment |
Fabrik med hög stochard
Ningbo KSM Machinery Manufacturing Co.,Ltd. är ett samarbete med Italien teknik specialiserad högkvalitativ plast i produktion av högkvalitativ plast gjutmaskin. Vårt företag är beläget i Ningbo Beilun Xing Ao Industrial Park. Vi har ett antal FoU-personal och samarbetar med en grupp högteknologiska företag. Som proffs Kina K1500-SA-Högprecisionsformsprutningsmaskin leverantörer och OEM/ODM K1500-SA-Högprecisionsformsprutningsmaskin företag, Den producerar främst formsprutningsmaskiner med hög precision med spännkraftsintervallet från 110T till 1850T. Produkterna har hög styvhet struktur och utrustade importerade hydrauliska och elektriska element, använd skruv med blandningshuvud för att ha utmärkt plastifieringsprestanda och vara lämpliga för olika tekniska plastformsprutning och användarens specialbeställning är tillgängliga. Sedan företaget etablerades, har alltid uppmärksammat företagets rykte, genomfört vetenskapligt, förvaltning med rationell design, vilar på kvalitet före försäljning, försäljning och efterförsäljning för att vinna det stora antalet användares förtroende och godkännande. Vi följer mottot "ärlig, fortsätt att förbättra oss, lägg stress på kvalitet, slappna aldrig av i ansträngning". Hjärtligt välkomna vänner från alla wask för vägledning. Företaget har ett forsknings- och utvecklingscentrum med stark utvecklingsstyrka. Samtidigt samarbetar det med inhemska universitet och högskolor för att utveckla och forska om injektions- och plastproduktionsutrustning och formsprutningsmaskin. Företaget har avancerad slangprovningsutrustning och experimentell utrustning. Under de senaste åren har FoU-centret uppnått många prestationer inom formsprutningsmaskiner och plastutrustning, gummivulkaniseringsprocess och formuleringsutveckling. Uppriktigt bjud in kunder hemma och utomlands att besöka vår fabrik och ser fram emot ditt långsiktiga företag för att skapa en vacker morgondag för dig!
Varför välja oss
Vi har ett eget testlabb och avancerad och komplett inspektionsutrustning, som kan säkerställa kvaliteten på de produkter som produceras av vår utrustning.
Vår årliga produktionskapacitet är över 500 set formsprutningsmaskin.
Vi fokuserar på att utveckla högkvalitativa produkter för toppmarknader. Våra produkter är i linje med internationella standarder och exporteras huvudsakligen till Europa, Amerika, Japan och andra destinationer runt om i världen.
Vi är bara 15 kilometer från Ningbos hamn, det är mycket bekvämt och effektivt att skicka varor till andra länder.
Garantera hög kvalitet med vår expertis
Autentisk pålitlig kvalitet sticker naturligtvis ut och är inte rädd för jämförelse.
Ge dig de senaste företags- och branschnyheterna
1. Grundkonceptet för formar med flera hålrum Multikavitetsformar hänvisar till inställningen ...
1. Högeffektivt olje-elektriskt hybridsystem De Oljeelektrisk höghastighetsinsprutningsmas...
Applicering av oljekylsystem i plast formsprutningsmaskin Som en effektiv kylningsmetod ...
Maskiner för formsprutning av plast spelar en viktig roll i modern industri. De kan effekti...
Återflödesförhållande är en viktig parameter i plastformsprutningsprocessen, och spelar särskilt en...
Formsprutningsmaskiner för plast behöver avleda värme snabbt under formsprutningsprocessen för a...